Онлайн каталог
Все для узлов вращения
Важное сообщение
Подшипники по суперцене: 23072 CC/C3W33 (SKF) – 3 шт. – 449872,5 руб. без НДС.
Шкивы о суперцене: Для клиновых ремней: 6SPC1250TB – по 97 134,42 руб. без НДС. Для клиновых ремней по американскому стандарту: 5-8V1250-F (KRB) – 5 шт. – 14896,43 руб. без НДС, 8-8V1250-J (KRB) – 5 шт. – 23057,36 руб. без НДС. Звоните 88002017515 прямо сейчас!
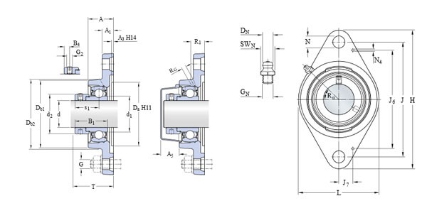
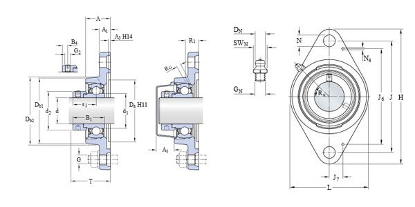
Подшипниковый узел типа FYTB с литым фланцевым овальным корпусом, с эксцентриковым стопорным кольцом, для метрических валов FYTB 35 FM
Подшипниковый узел типа FYTB с литым фланцевым овальным корпусом, с эксцентриковым стопорным кольцом, для метрических валов FYTB 35 FM

FYTB 35 FM

4 463.10 руб. с НДС (розничная)



Подшипниковый узел типа FYTB с литым фланцевым овальным корпусом, с эксцентриковым стопорным кольцом, для метрических валов FYTB 35 FM

Обозначение:   FYTB 35 FM

Размеры d, мм/дюйм 35
Размеры s1, мм 29.4
Размеры A1, мм 34.5
Размеры A2, мм 13
Размеры H, мм 156
Размеры J, мм 130
Размеры L, мм 96
Размеры N, мм 14
Размеры G, мм 12
Размеры Da, мм 88.9
Размеры B1, мм 38.9
Номинальная грузоподъемность радиальная динамическая C, кH 25.5
Номинальная грузоподъемность статическая C0, кH 15.3
Частота вращения номинальная, об/мин 5300
Комплектующие