Онлайн каталог
Все для узлов вращения
Важное сообщение
Подшипники по суперцене: 23072 CC/C3W33 (SKF) – 3 шт. – 449872,5 руб. без НДС.
Шкивы о суперцене: Для клиновых ремней: 6SPC1250TB – по 97 134,42 руб. без НДС. Для клиновых ремней по американскому стандарту: 5-8V1250-F (KRB) – 5 шт. – 14896,43 руб. без НДС, 8-8V1250-J (KRB) – 5 шт. – 23057,36 руб. без НДС. Звоните 88002017515 прямо сейчас!
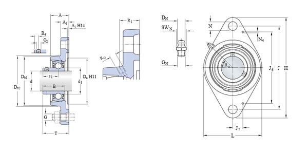
Подшипниковый узел типа FYTB с литым фланцевым овальным корпусом, со стопорным винтом, для дюймовых валов FYT 1.11/16 RM
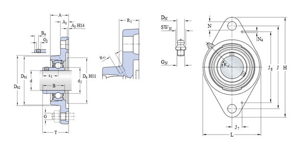
Подшипниковый узел типа FYTB с литым фланцевым овальным корпусом, со стопорным винтом, для дюймовых валов FYT 1.11/16 RM

FYT 1.11/16 RM

цена по запросу



Подшипниковый узел типа FYTB с литым фланцевым овальным корпусом, со стопорным винтом, для дюймовых валов FYT 1.11/16 RM

Обозначение:   FYT 1.11/16 RM

Размеры d, мм/дюйм 42,863 (1 11/16)
Размеры B, мм 41.5
Размеры s1, мм 30.5
Размеры A1, мм 39
Размеры A2, мм 14
Размеры H, мм 178.5
Размеры J, мм 148.4
Размеры L, мм 111
Размеры N, мм 15.9
Размеры G, мм 14
Номинальная грузоподъемность радиальная динамическая C, кH 33.2
Номинальная грузоподъемность статическая C0, кH 21.6
Частота вращения номинальная, об/мин 4300
Масса, кг 1.74
Комплектующие
Корпус FYT 509 U
Подшипник YAT 209-112