Онлайн каталог
Все для узлов вращения
Важное сообщение
Подшипники по суперцене: 23072 CC/C3W33 (SKF) – 3 шт. – 449872,5 руб. без НДС.
Шкивы о суперцене: Для клиновых ремней: 6SPC1250TB – по 97 134,42 руб. без НДС. Для клиновых ремней по американскому стандарту: 5-8V1250-F (KRB) – 5 шт. – 14896,43 руб. без НДС, 8-8V1250-J (KRB) – 5 шт. – 23057,36 руб. без НДС. Звоните 88002017515 прямо сейчас!
Однорядный конический роликоподшипник, спаренный по схеме - «тандем» T7FC 080T98/QCL7CDTC20
Однорядный конический роликоподшипник, спаренный по схеме - «тандем» T7FC 080T98/QCL7CDTC20

T7FC 080T98/QCL7CDTC20

цена по запросу



Однорядный конический роликоподшипник, спаренный по схеме - «тандем» T7FC 080T98/QCL7CDTC20

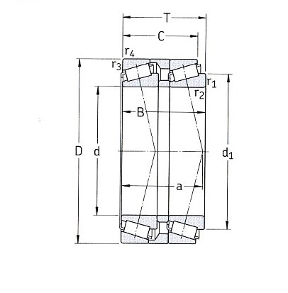
Обозначение:   T7FC 080T98/QCL7CDTC20

Основные размеры, d 80 мм
Основные размеры, D 160 мм
Основные размеры, T 98 мм
Грузоподъёмность дин., C 391 кH
Грузоподъёмность стат., C0 630 кH
Граничная нагрузка по усталости, Pu 71 кH
Частота вращения номинальная 2 200 об/мин
Частота вращения предельная 4 000 об/мин
Масса 16,5 кг

В папку сравнения