Онлайн каталог
Все для узлов вращения
Важное сообщение
Подшипники по суперцене: 23072 CC/C3W33 (SKF) – 3 шт. – 449872,5 руб. без НДС.
 
Шкивы о суперцене: 
Для клиновых ремней: 6SPC1250TB – по 97 134,42 руб. без НДС
Для клиновых ремней по американскому стандарту: 5-8V1250-F (KRB) – 5 шт. – 14896,43 руб. без НДС, 8-8V1250-J (KRB) – 5 шт. – 23057,36 руб. без НДС.

Звоните 88002017515 прямо сейчас!
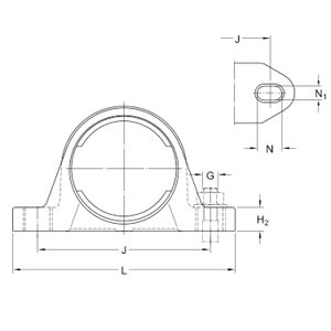
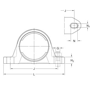
Стационарный композитный корпус типа SYK SYK 504
Стационарный композитный корпус типа SYK SYK 504

SYK 504

776.44 руб. с НДС (розничная)



Стационарный композитный корпус типа SYK SYK 504

Обозначение:   SYK 504

Размеры A, мм 32
Размеры A1, мм 21
Размеры H, мм 64
Размеры H1, мм 33.3
Размеры H2, мм 16
Размеры J, мм 96
Размеры L, мм 126
Размеры N, мм 17.5
Размеры N1, мм 12
Размеры G, мм 10